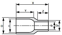
To connect a face seal to a tube butt weld.
Unit of Measure
Specifications
Fitting Configuration |
N/A Reducing Gland |
Basic Part No. |
N/A G-R |
| Body Material1 | N/A 316L Stainless Steel |
Body Type |
N/A Gland |
Connection Size 1 |
N/A 1/2 in |
Connection Type 1 |
N/A Face Seal |
Connectiont Size 2 |
N/A 1/4 in |
Connection Type 2 |
N/A Tube Butt Weld |
Surface Finish |
N/A Electropolished |
Operating Pressure |
N/A 0 to 3750 psig0 to 259 bar |
Operating Temperature |
N/A 1000 ºF538 ºC |
Wall Thickness |
N/A 0.049 in |
- 1 Other materials such as VAR, VIM, AOD/VAR, VOD/VAR, VIM/VAR and Various Alloys are available upon request.

