sales@circlevalve.com
800-645-6733
Home About Us Line Card Careers Products Contact Us
Home
About Us
Products
Line Card
Careers
Blog
Contact Us
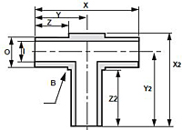
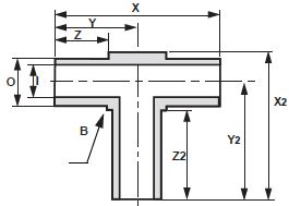
To connect three tube weld connections.
Unit of Measure

Specifications

Fitting Configuration

N/A Extended Run Leg Tee

Basic Part No.

N/A T-X2
Body Material1 N/A 316L Stainless Steel

Body Type

N/A Mini Weld Fitting

Connection Size 1

N/A 1/4 in

Connection Type 1

N/A Tube Butt Weld

Connectiont Size 2

N/A 1/4 in

Connection Type 2

N/A Tube Butt Weld

Connection Size 3

N/A 1/4 in

Connection Type 3

N/A Tube Butt Weld

Surface Finish

N/A Electropolished

Operating Pressure

N/A 0 to 5200 psig0 to 359 bar

Operating Temperature

N/A 1000 ºF538 ºC

Wall Thickness

N/A .035 in

Dimensional Data

N/A

  • 1 Other materials such as VAR, VIM, AOD/VAR, VOD/VAR, VIM/VAR and Various Alloys are available upon request.



307 Derstine Ave, Suite 204 | Lansdale, PA 19446 | Phone: 267-933-6300 | Fax: 267-933-6305 | Toll Free: 800-645-6733 | Email: sales@circlevalve.com
Terms & Conditions | Catalog Index | © 2009- Circle Valve Technologies, Inc. All Rights Reserved